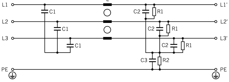
The EMC filter is used to reduce conducted interference to the power supply grid from devices like BD eddy brake power supplies or VFD (Variable Frequency Drive).
Specification:
- Application: 3 phase power supply
- Rated current: 16A / 25A / 36A @ 40 °C
- Rated voltage: 480VAC, 50/60Hz
- Leakage current: 96mA
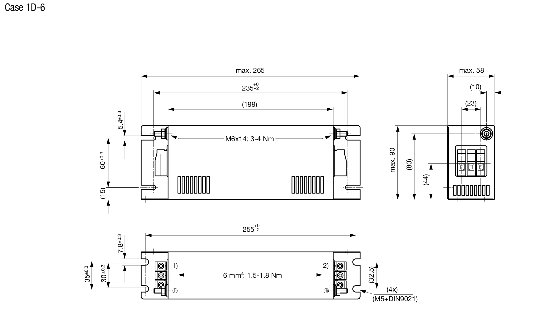
Dimensions and connections:
- 16A / 25A : drawing 1C
- 36A : drawing 1D-6
Filter selection for BD model assuming 3 phase supply:
- BD3-22.5A – filter 16A
- BD3-30A – filter 25A
- BD3-45A – filter 36A
- BD2 – filter 25A











